
전도성 고분자 복합 재료 제조기술 = 탄소나노튜브 + 나노금속 + 폴리머
전도성 복합소재 전문업체
“바이오램프”의 전도성 복합소재는 신축성, 유연성,전도성이
우수한 제품입니다.

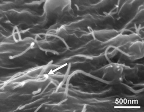
화살표: CNT (탄소나노튜브) 실리콘 고무 내 CNT 분산 사진
A startup developing products based conductive silicone
“바이오램프”는 전도성이 우수한 탄소나노튜브를 실리콘 및 폴리머 소재에 직접 물리적 분산으로 비교적 저렴한 생산 비용 공정으로 탄소 복합재료 제조하고 있습니다. 이를 통해 30~200°C 실리콘 발열체, 방열필름, 방열 패드, 전자파 차폐
복합소재 등을 개발 생산하고 있으며,
다양한 분야에서 응용 가능합니다.

인체 친화
- 신축성, 유연성
- 내구성, 내열성
- 사용온도 200°C까지
- 근적외선, 원적외선 방출 발열체
제조 기술
- 공정 간소화
- 발생 유기화합물 최소화
- 자동 프레스 성형
맞춤형 CNT 분산
- 3차원 구조의 전극 패드 및 면상 발열체 제조 가능
- 물리적 분산 기술을 통해 맞춤형 CNT 분산 가능
회사 소개
- 2016 바이오램프 설립
- 2018 벤처기업 인증
- 2018 신용보증 기금 NEST기업 선정
- 2019 중소기업청 R&d사업 “이악물기 교정 이어폰” 성공판정
- 2020 “나노복합소재 기반 전도성 실리콘을 이용한 안구건조증치료기기” 성공
- 2021 전북테크노파크 혁신성장R&D + 사업 성공
- 2022 지역특화산업육성+(R&D)”반도체공장 가스관 히팅자켓 발열체 개발2022 중소벤처기업부 지역주력산업육성산업 “CNT 및 CNF 적용 고온탄소 면상발열체를 활용한 산업용 히팅 자켓” 개발
- 2022 창업도약패키지 “탄소발열체 기술이 적용된 온열 저주파자극 기능을 연출하는 허리통증 개선 허리보호대” 성공
- 2022 소재부품장비 전문기업 인증
- 2023 탄소산업진흥원 연구소 기업 인정
- 2023 장비 국산화 지원사업 성공
- 2024 공장 확장 이전






WORK
바이오 램프의 “전도성 고분자 복합재료 제조 기술”을 통해 개발된 전도성 실리콘은 생체 적합성, 신축성, 그리고 유연성에서 우수한 품질을 보여주고 있습니다.
고분자 복합재료는 의료 분야뿐만 아니라 전자기기 산업에서도 혁신적으로 활용될 수 있을 것으로 기대됩니다.
바이오 램프의 연구팀은 이 기술을 향상시켜 미래에는 많은 응용 분야에서 사용을 가능케 할 것으로 예상되고 있습니다. 현재 의료용 패드에도 적용되어 삶의 질을 향상시키는 기술로 주목받고 있습니다.
웨어러블 기기에 접목해 인체공학적인 의료기기를 제작하는 것 뿐만 아니라, 최신 기술과 창의적인 디자인을 활용하여 생활 속 다양한 영역에 적용하고 있습니다.
우수 전도성 실리콘을 입체면상발열체로 적용함으로써 미용 기기뿐만 아니라 건강용품, 스포츠용품, 그리고 캠핑용품과 같은 분야에서도 혁신적인 제품을 선보이고 있습니다. 사업 범위를 지속적으로 확장하며, 고객들에게 새로운 가치를 제공하고 있습니다.
“바이오램프”에서 만드는 발열체는 우수한 방수 품질을 보여주고 있습니다. 고온의 환경에서도 안정적으로 작동할 수 있으며, 효율적인 열 방출과 긴 수명을 가지고 있습니다.
이러한 기술은 다양한 분야에서 활용될 수 있으며, 혁신적인 디자인과 더불어 지속 가능한 솔루션으로 평가받고 있습니다.
CNT + Silicone 발열체


- 환경 친화적 맞춤형 CNT분산
용매를 사용하지 않는 물리적 분산 기술은 환경 친화적인 접근 방식으로, 기존의 화학적 방법 대비 안전하고 지속 가능한 솔루션을 제공합니다. 이 기술은 또한 공정을 간소화하여 생산 효율성을 높이고 저렴한 생산 공정으로 가격 경쟁력을 갖춥니다, 유기 화합물의 사용을 최소화하여 안전한 작업 환경을 조성합니다. 이러한 기술은 3차원 구조의 전극 패드 및 면상 발열체를 제조하는 데에도 적용될 수 있어, 저탄소 생산 및 친환경 제품 생산에 기여할 수 있습니다.
Main Products

유연한 실리콘 면상 발열